
CZ化工標準泵產品簡介
2013-03-05
CZ化工泵為單級單吸懸臂式離心泵,主要用于石油、化工、合成纖維、化肥、電站、冶金、食品及醫藥等工業部門輸送清潔或含有顆粒的液體、低溫或高溫的液體中性或有腐蝕性的液體,輸送介質的溫度一般為-45℃-180℃。
CZ系列化工泵的性能范圍包括了IH系列化工泵所有性能,其效率、汽蝕性能等指標均超過IH泵,可與IH型泵進行單機互換。
泵轉速分為2900和1450轉/分兩種,性能如下表:
| 轉速(r/min) | 2900 | 1450 |
| 流量(m3/h) | 280 | 1700 |
| 總揚程 (m) | 140 | 80 |
用戶可根據被輸送介質的腐蝕性程度對泵的過流部分主要零件選用不同材質。泵的過流部分主要零件的材料及其代號如下:
| 材料 | ZG1Cr18Ni9 | ZG1Cr18Ni9Ti | ZG0Cr18Ni12Mo2Ti | ZG1Cr18Ni12Mo2Ti | ZG00Cr17Ni14Mo2 | ZG1Cr18Mn13Mo2CuN |
| 代號 | 303 | 305 | 306 | 307 | 316L | 402 |
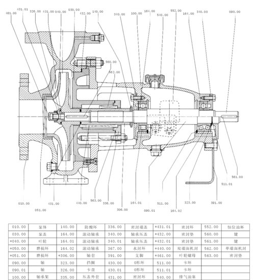
結構說明:
1、泵為單級、臥式、蝸殼泵。泵體為腳支撐,單吸葉輪。軸向吸入,徑向排出;
2、由副葉片或葉輪上的平衡孔進行水力平衡;
3、部分規格的泵體設計成雙蝸殼體,以平衡徑向力;
4、軸封即可采用軟填料密封(可冷卻,也可不冷卻),也可采用各種結構的單、雙端面機械密封(可采用平衡型);
5、吸入及排出管法蘭的額定壓力等級相同。
6、軸承用潔凈的22號機械油潤滑。
7、泵的旋轉方向:從原動機端看,為順時針旋轉。
CZ化工標準泵結構圖:
.jpg)
CZ化工標準泵外表安裝尺寸圖:
.jpg)
關于 CZ化工標準泵,離心泵,立式離心泵,管道離心泵,單級雙吸離心泵,臥式離心泵,化工離心泵,多級泵,化工泵,磁力泵,螺桿泵,上海離心泵,水泵,泵 的新聞








